
De nombreuses personnes, dont certaines travaillaient à l’époque chez le constructeur, proposent déjà diverses solutions permettant de réutiliser ces postes « pro » sur les bandes radioamateur. Les logiciels embarqués qui sont utilisés donnent accès à des fonctions assez sommaires, et rendent l’utilisation de ces postes relativement inconfortable.
Ces bidouilles ont toutefois l’avantage d’exister et ont certainement permis à ces postes de ne pas finir leur vie chez le ferrailleur. Un autre avantage non négligeable est la mise à disposition des schémas qui auraient autrement eux aussi disparu, compte tenu dnumere l’age avancé de ces postes.
On pourrait se questionner sur l’intérêt de vouloir exhumer ce vieux matériel, dont les dates de fabrication s’étendent de 1988 à 1994 d’après les plaques d’identification des postes dont je dispose. Pour le commun des mortels, la réponse est simple : aucun. D’autres fabricants proposent des postes beaucoup plus évolués, donnant accès à une bande de fréquences nettement plus large sans nécessiter de modification matérielle hasardeuse, et permettant même de s’adonner aux communications numériques, sans avoir à « réinventer la roue » pour être utilisés hors de leur domaine initial. Mon avis en tant qu’écouteur est un peu plus mitigé, notamment lorsqu’il s’agit de balayer toute une plage de fréquence, sans trou. Les postes destinés à un usage professionnel ont leurs fréquences de fonctionnement programmées en dur, majoritairement à l’aide d’un logiciel propriétaire dont l’utilisation n’est pas intuitive, ce qui limite l’utilisateur à un certain nombre de fréquences accessibles, en fonction du nombre de canaux mémorisables. La souplesse de paramétrage dont l’utilisateur dispose sur les récepteurs ou postes radioamateur est, elle aussi, soumise à l’utilisation d’un PC.
Pourquoi donc s’attaquer au logiciel embarqué d’une si vieille gamme de postes dans ce cas ?
14/04/2025 : Ajout des schémas complets de l’ATR421, de l’ATR423 (une variante de celle mise en ligne ici fin 2017) et de l’ATR427, reconstitués à partir de manuels de maintenance scannés.
26/04/2025 : Ajout du schéma complet de l’ATR 9213 MB SCR.
27/04/2025 : Ajout du tableau répertoriant l’ensemble des plans et schémas que j’ai en ma possession, avec les liens de téléchargement des documents.
Les liens vers ces nouveaux schémas sont ci-dessous.
Si vous vous posiez la question : le logiciel alternatif que j’entendais créer n’a pas abouti à quoi que ce soit d’exploitable. Ceci étant dit, j’ai eu recours à l’aide de ChatGPT pour d’autres projets et j’ai été bluffé par la qualité des réponses, ainsi que par le code fourni. Il faut constamment vérifier son code, parfois bien buggé, mais ça aide pas mal sur des sujets compliqués comme ceux qui m’ont rapidement découragés pour le logiciel alternatif de l’ATR42x.
Enfin, je reprends l’analyse effectuée par retro-ingénierie pour me rafraîchir la mémoire, et j’avoue avoir du mal à comprendre ce que j’ai écrit à certains moments. Je vais aussi remanier le document consignant cette analyse, pour rendre les choses moins compliquées à lire. Les détails techniques pointus seront conservés, car toujours utiles quoi qu’il en soit.
La première raison qui me vient naturellement à l’esprit c’est « la nostalgie ». Mon premier contact avec un ATR42x date de mon enfance, quand j’accompagnais mon père sur son lieu de travail. Rappelez-vous, à l’époque où ces émetteurs étaient fabriqués, les communications téléphoniques sans fil relevaient plus de la science fiction et du fantasme pour monsieur tout le monde. Je fais allusion ici a des communications téléphoniques car ces postes se comportaient comme les téléphones filaires de l’époque, avec l’émission de la tonalité d’acheminement lors de l’émission d’une demande d’appel, puis la tonalité de retour d’appel lorsque le poste du correspondant avait acquitté la demande d’appel.
La seconde raison est le défi technique. La carte logique de ces postes reste relativement simple d’un point de vue électronique et les quelques documents disponibles sur Internet permettent d’en comprendre le fonctionnement sans difficulté. Toute l’intelligence se situe sur cette carte. L’évolution fonctionnelle réside quasi uniquement dans l’écriture du logiciel embarqué. Le remplacement de certains composants par des circuits intégrés est lui aussi envisageable afin de palier d’autres contraintes imposées par un réglage purement matériel :
- Sélection de la puissance d’émission à la volée, en remplaçant les shunts par des transistors pilotés par le microcontrôleur ;
- Ajustement du squelch en remplaçant la résistance variable par un potentiomètre numérique ;
- etc.
Tout ceci ne se fera pas en un jour, mais ma motivation est réelle. Même si la méthode de travail n’est pas des plus efficaces, je vais commencer par le début et détailler le résultat de la rétro-ingénierie à laquelle j’ai procédé sur un ATR423 « cobaye »: Fonctionnement de la carte logique.
Schémas
Les schémas fournis ci-dessous sont le fruit d’un long travail de retouche d’images scannées un peu à la va-vite sans prendre soin de l’alignement des pages, de la finesse de la numérisation, etc. Quoi qu’il en soit, le résultat n’aurait pas pu exister sans ces numérisations. Je remercie donc les personnes qui les ont réalisées et aussi ceux qui les ont partagées.
Schémas complets
ATR421 : SchemaATR421_HD
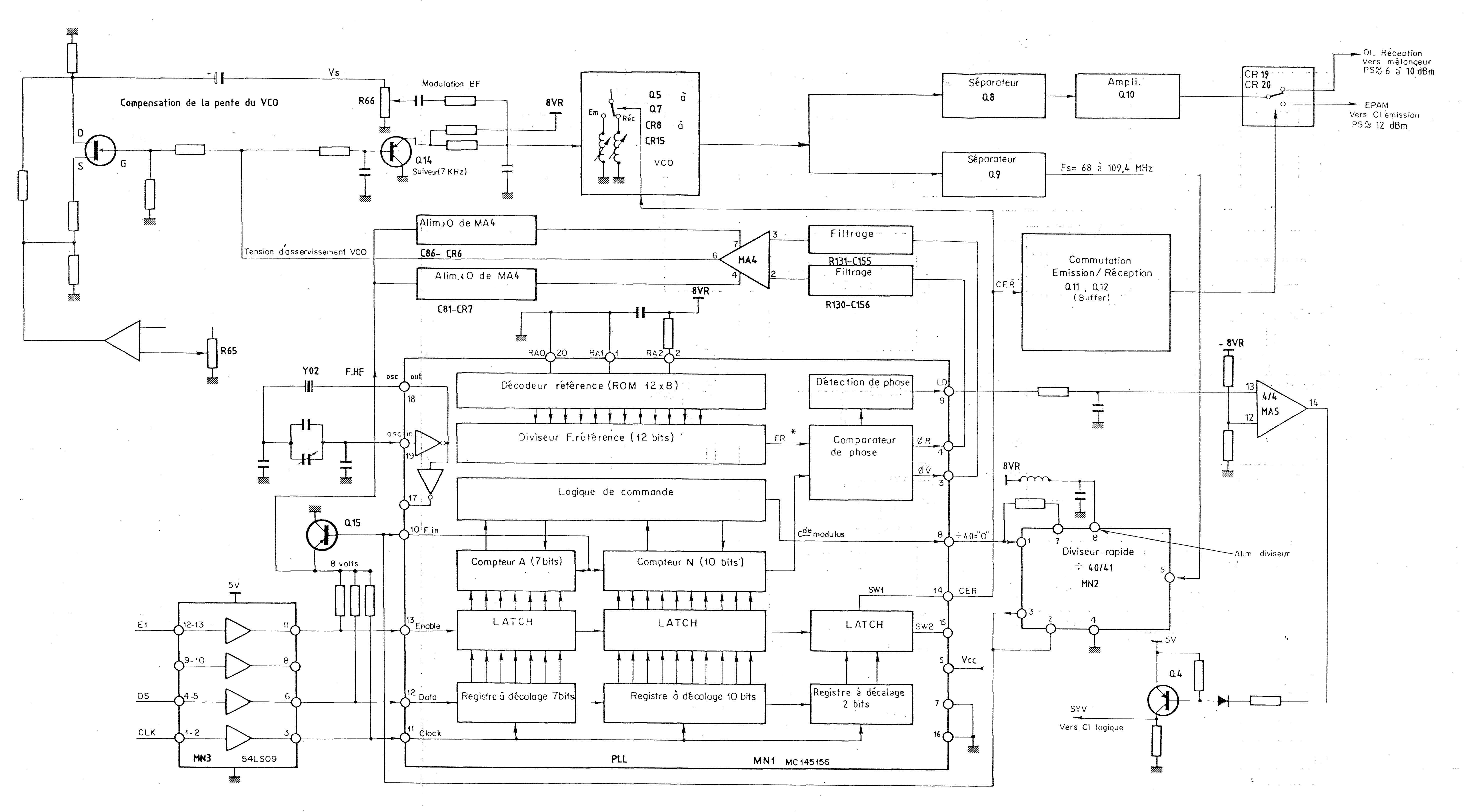
- Carte logique : 39 045 234
- Carte radio : 39 417 077
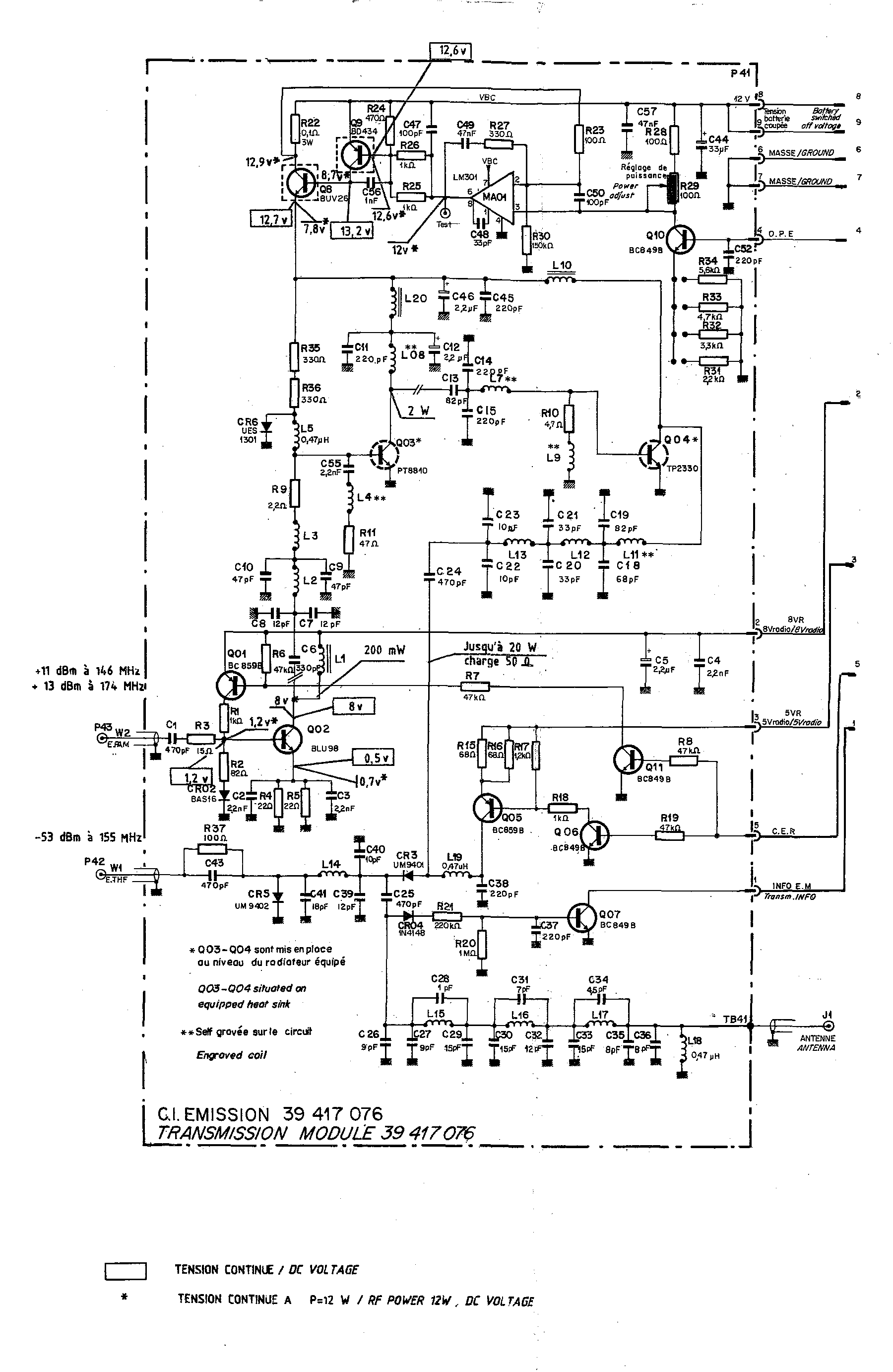
- Carte émission : 39 417 076
- Carte interconnexion : 39 045 236
ATR423 : SchemasHD
- Carte logique : 39 045 234
- Carte radio : 39 197 537
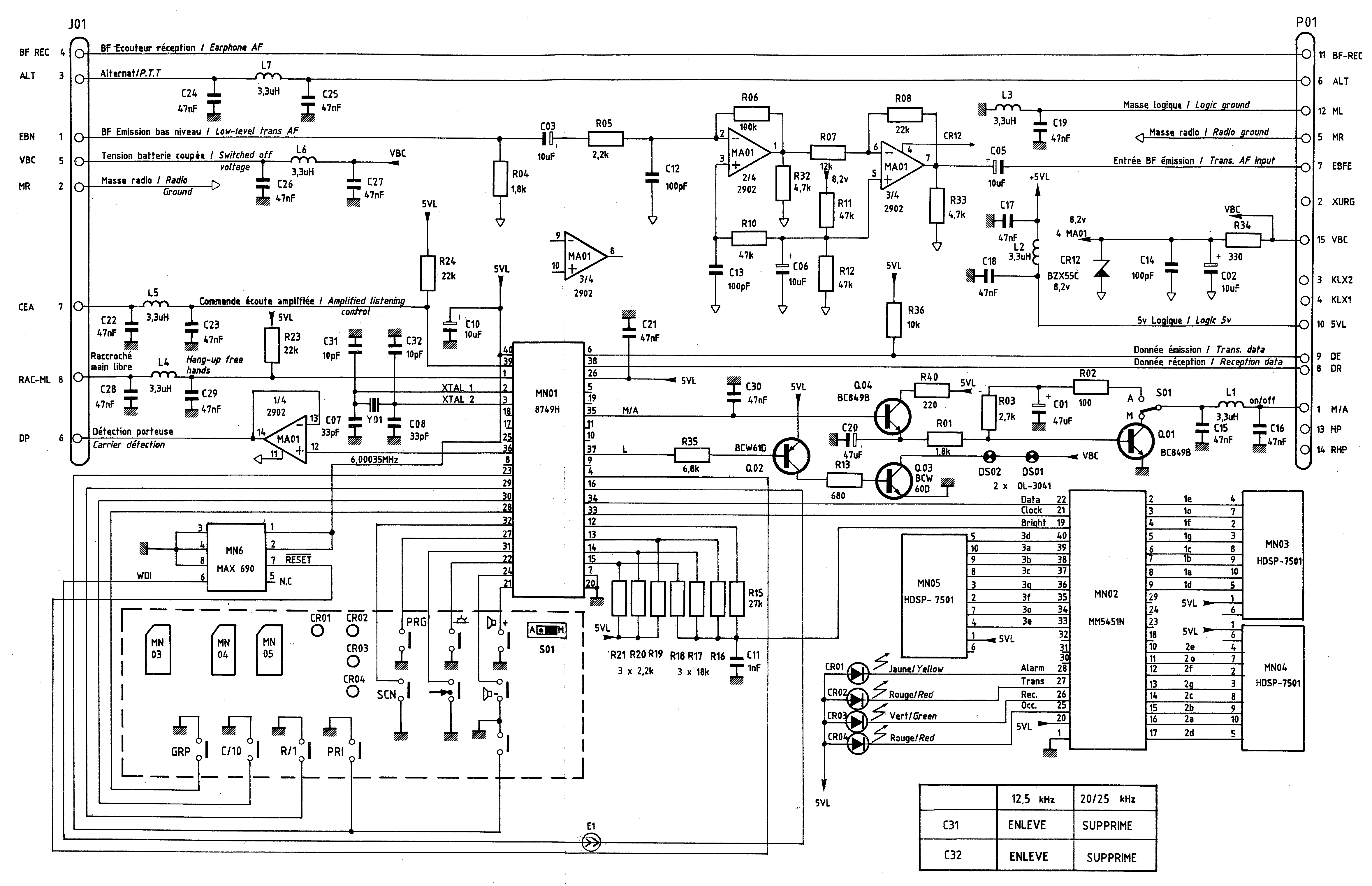
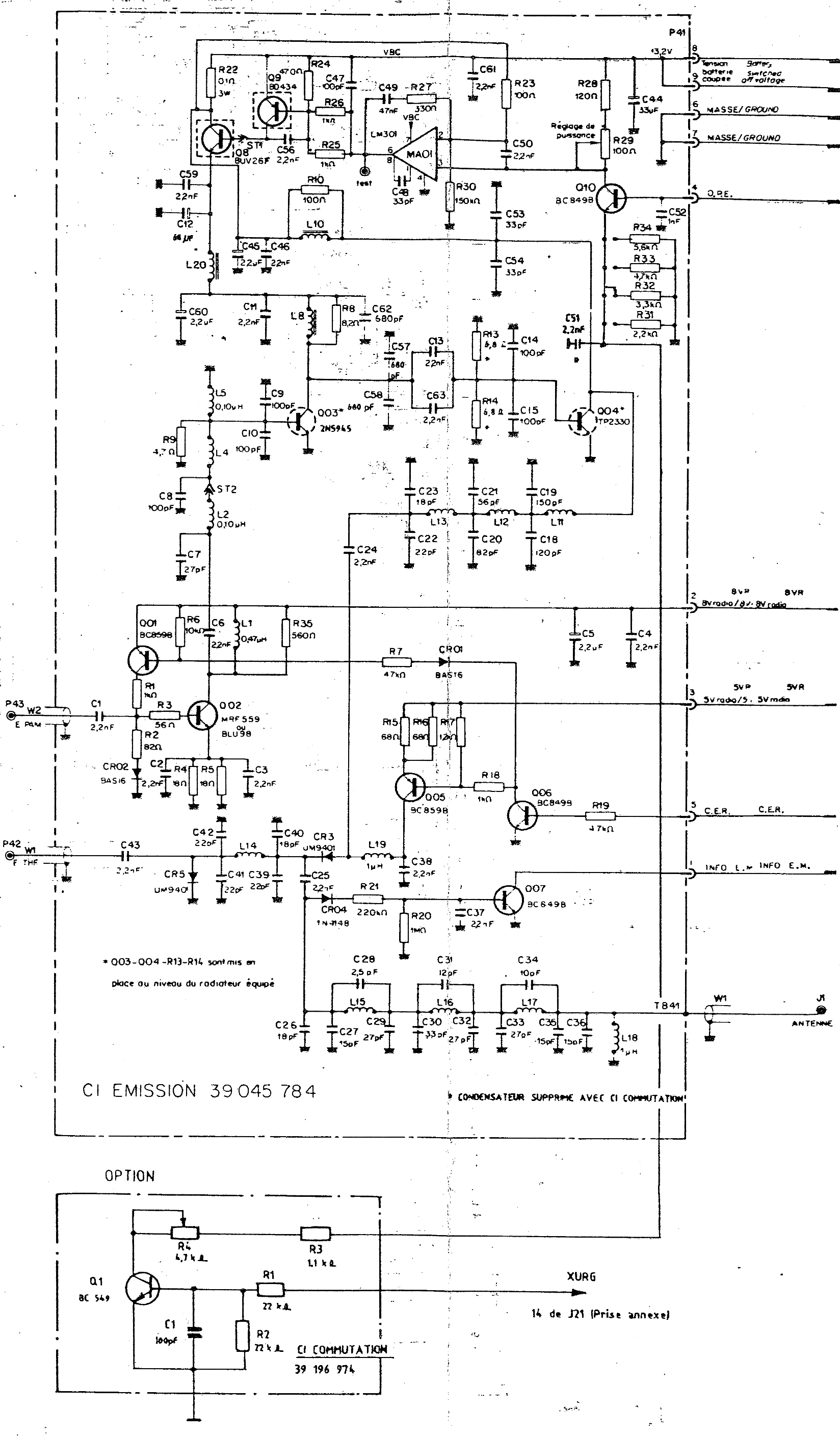
- Carte émission : 39 045 784
- Carte interconnexion : 39 045 236
ATR423 : SchemaATR423_HD
- Carte logique : 39 197 539/U
- Carte radio : 39 197 537/AA
- Carte émission : 39 045 784/AG
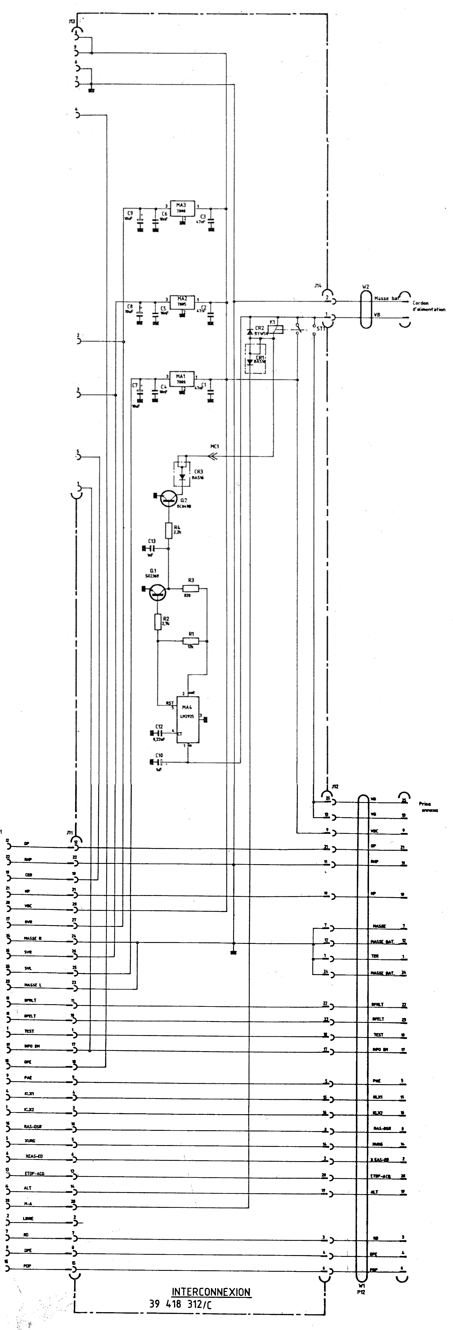
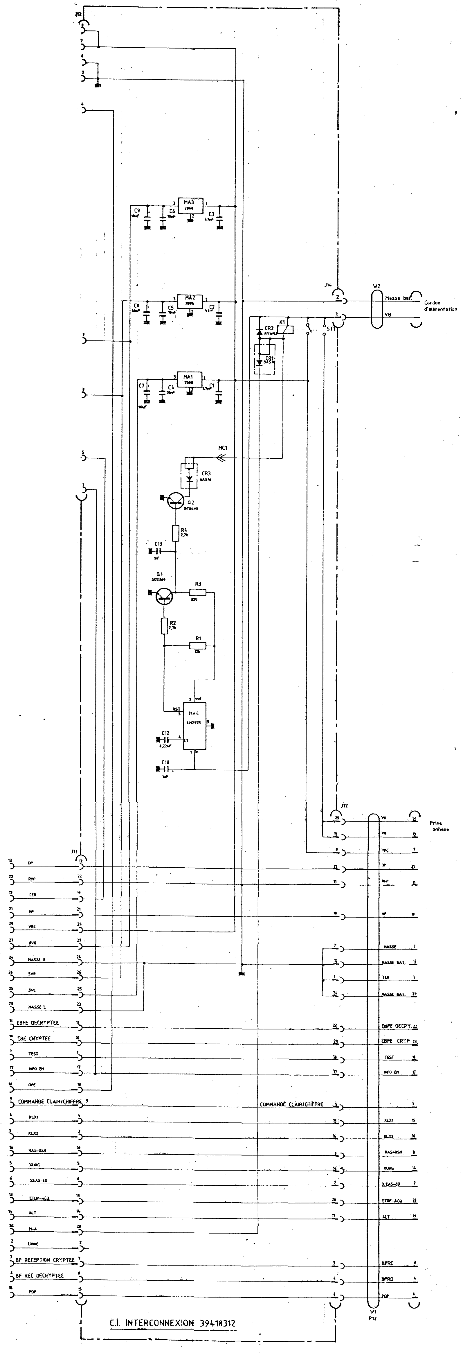
- Carte interconnexion : 39 418 312/C
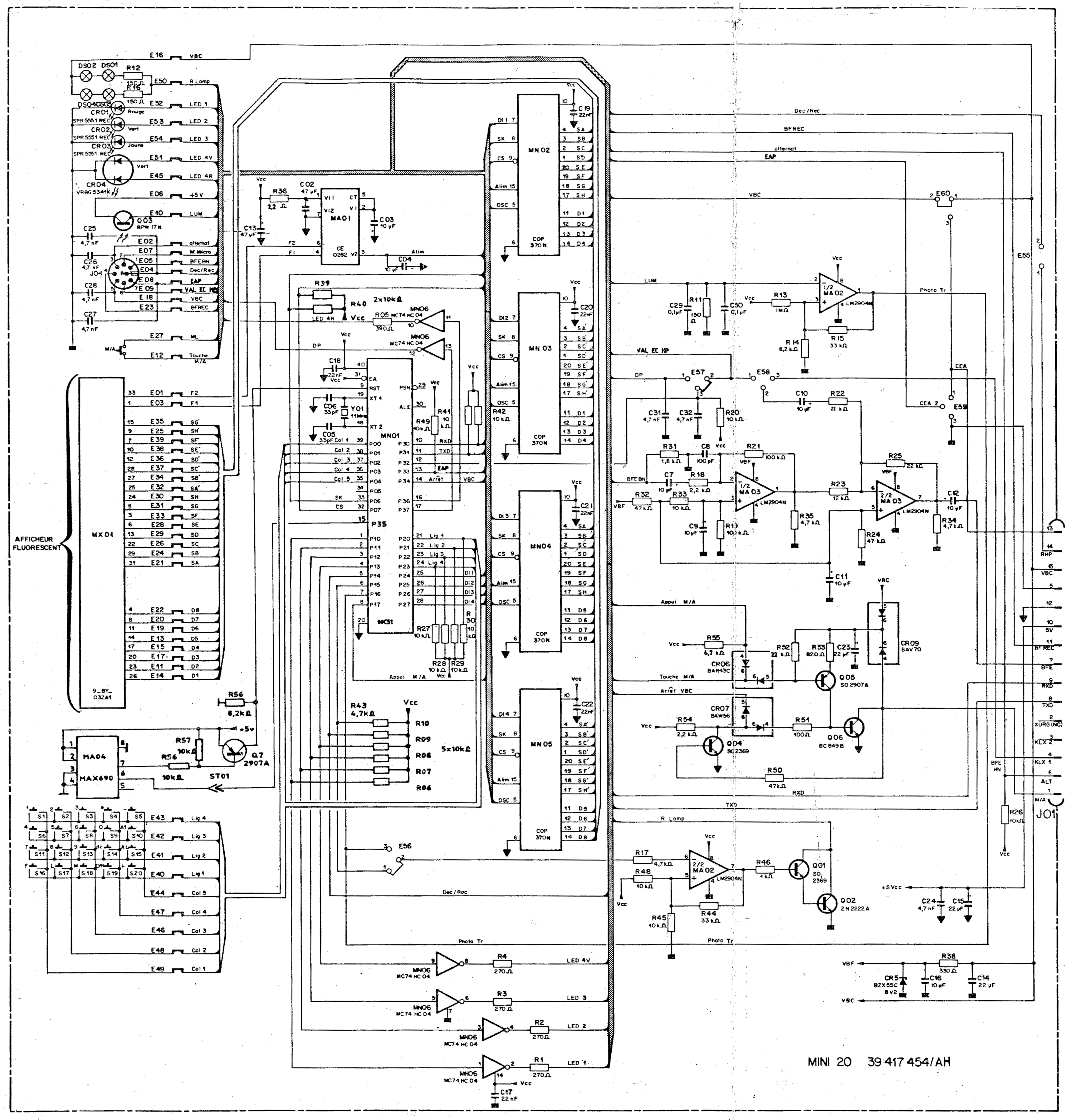
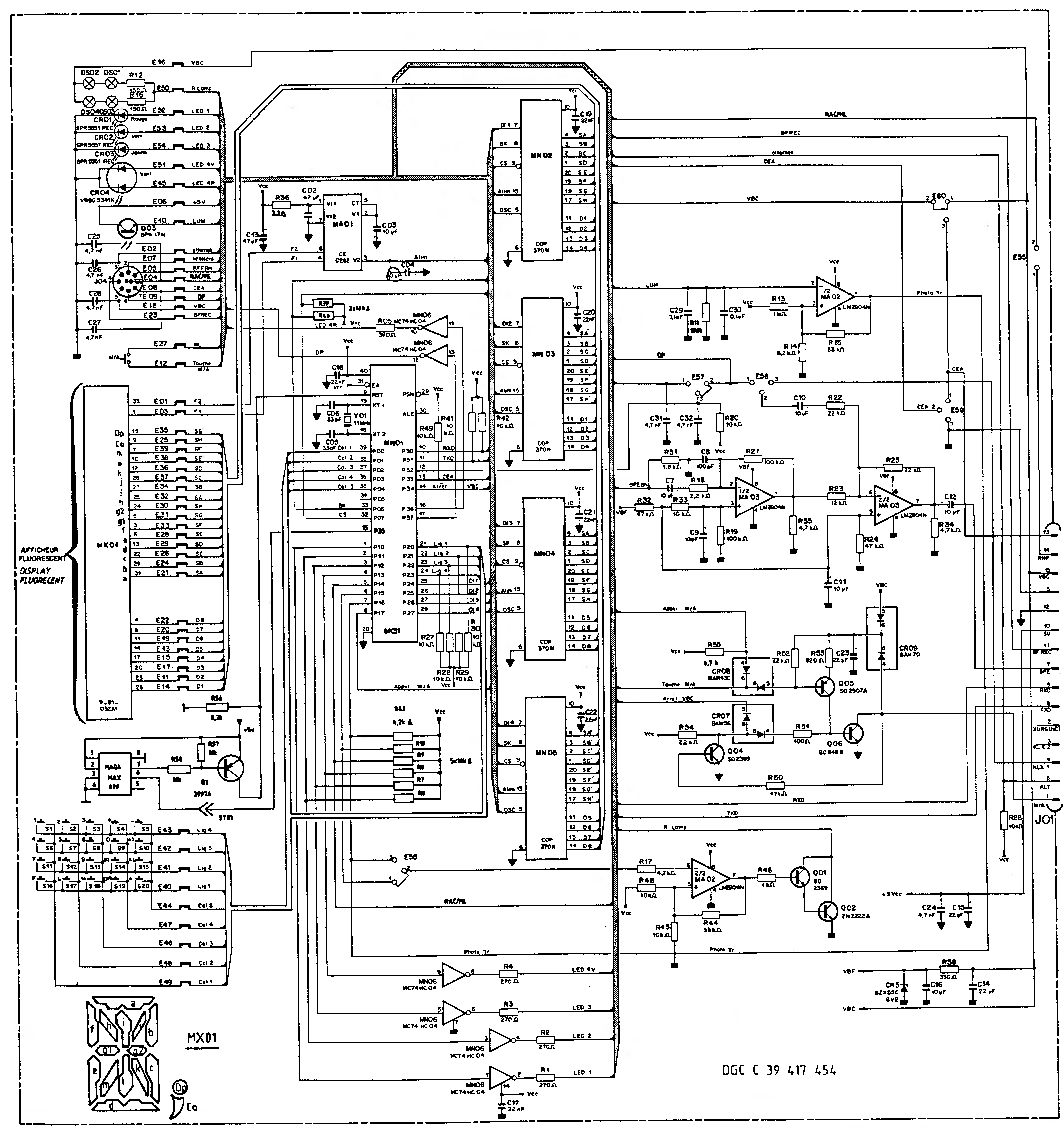
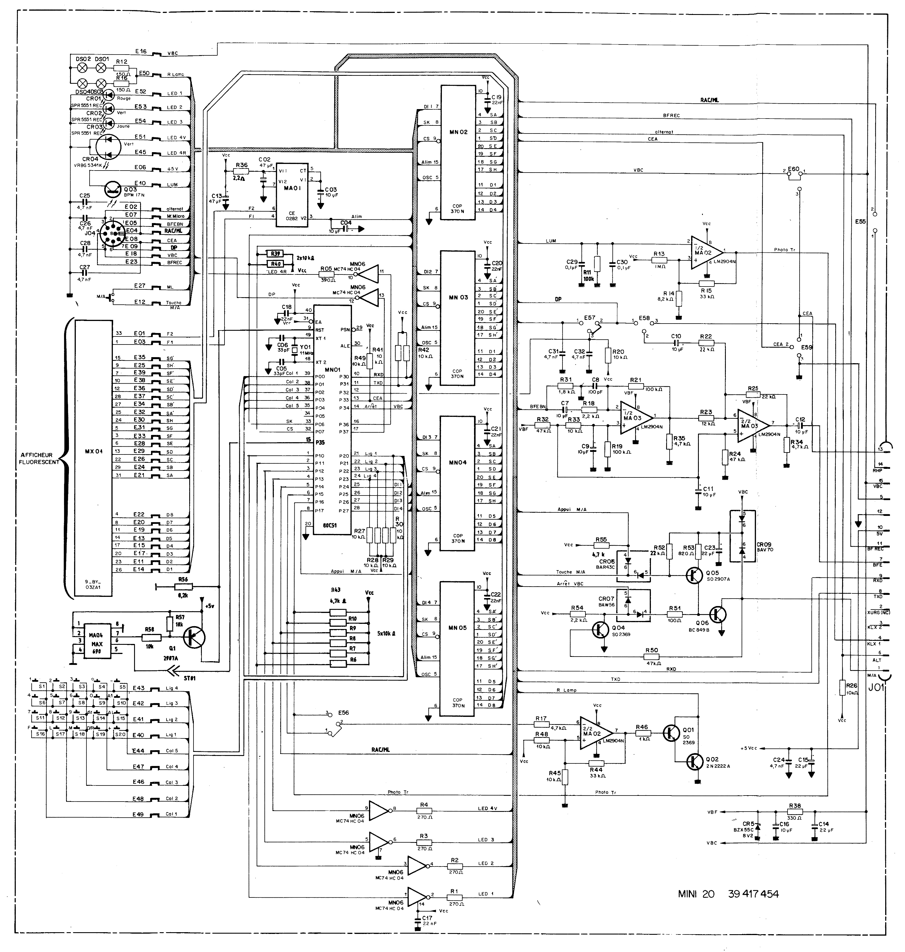
- Organe d’exploitation Mini 20 : 39 417 454/AH
ATR9213 MB SCR : SchemaATR9213MBSCR_HD
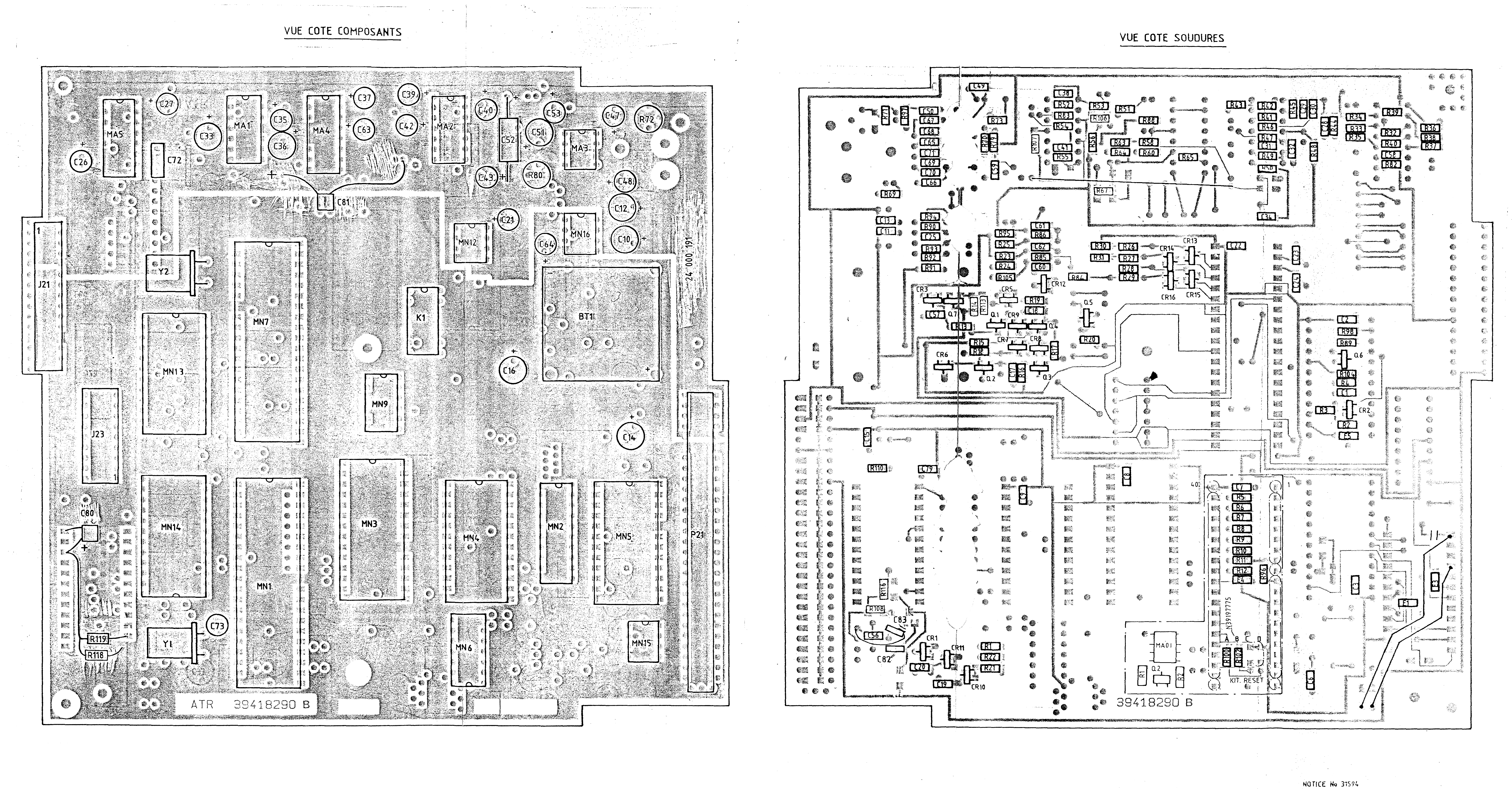
- Carte logique : 24 000 191
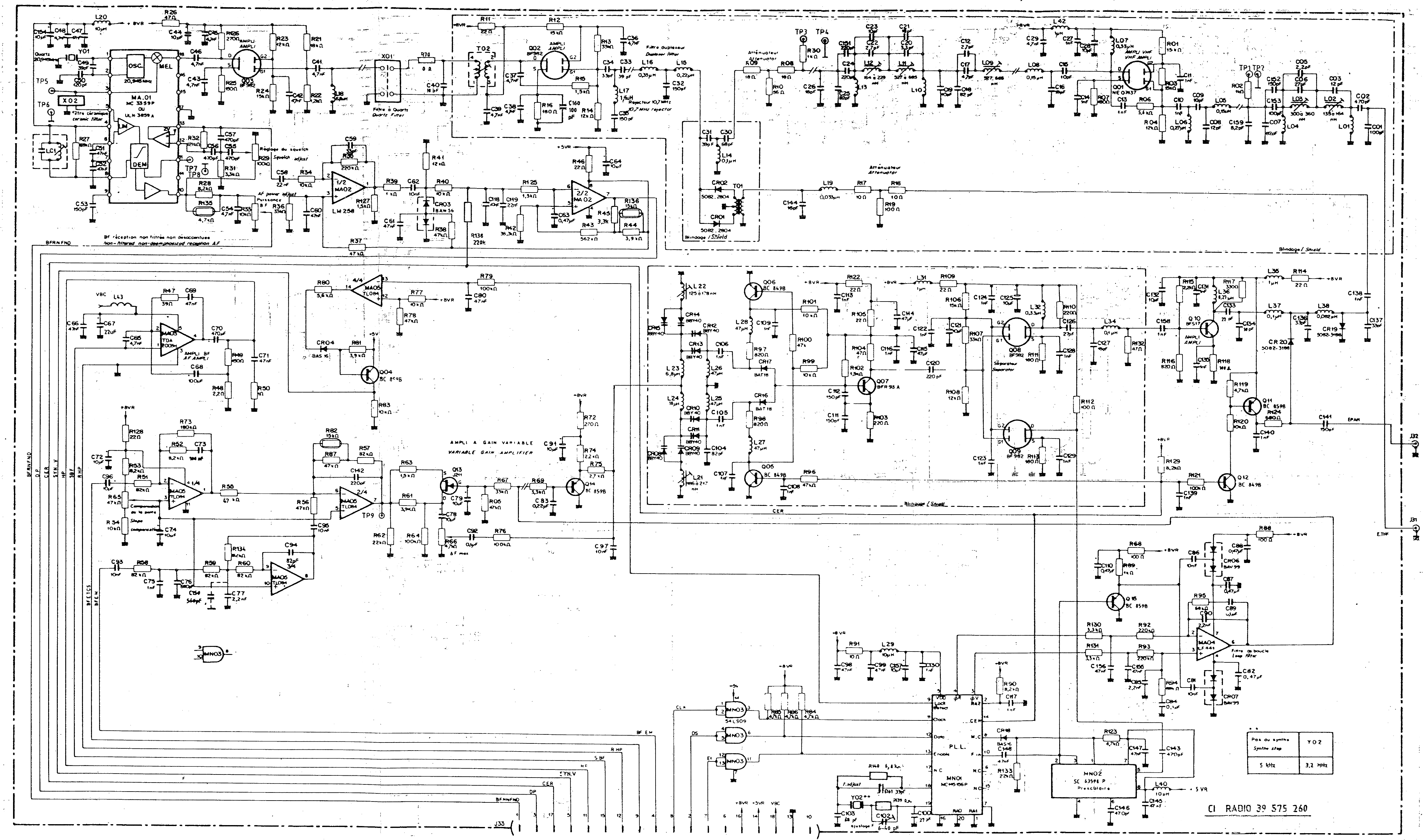
- Carte radio : 39 575 260
- Carte émission : 39 045 784
- Carte commutation (option) : 39 196 974
- Carte interconnexion : 39 418 312
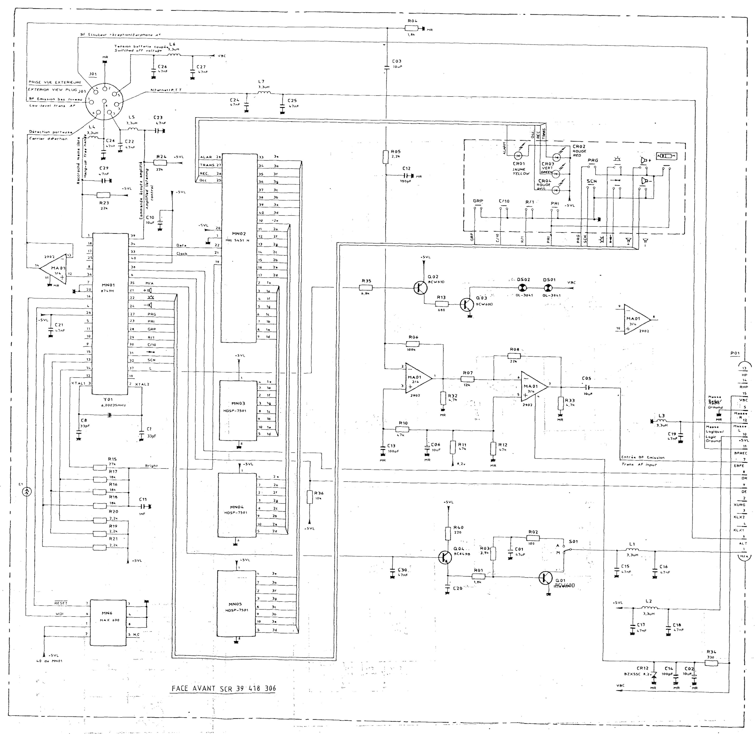
- Organe d’exploitation SCR : 39 418 306
ATR427 : SchemaATR427_HD
- Carte logique : 24 000 219/C
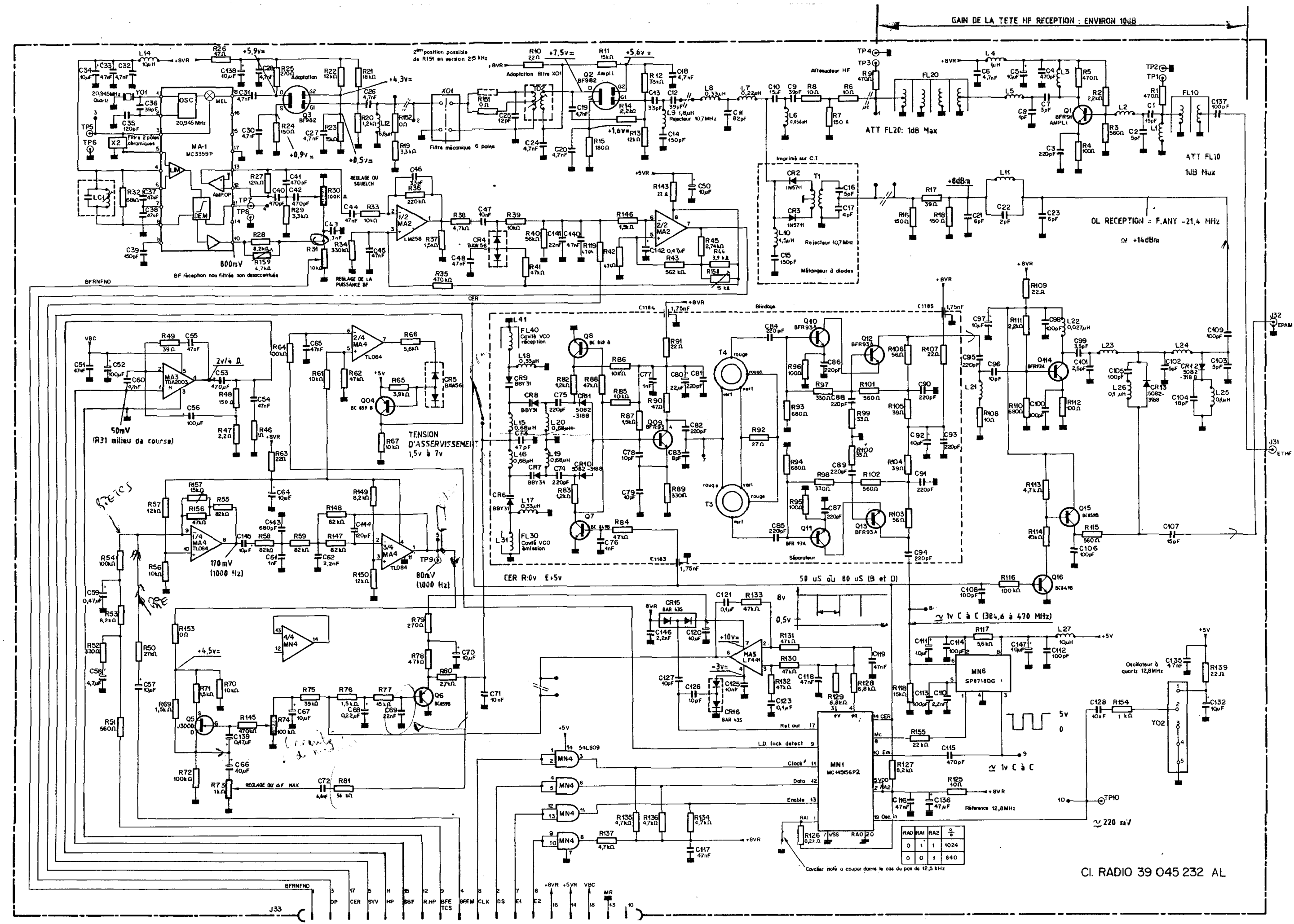
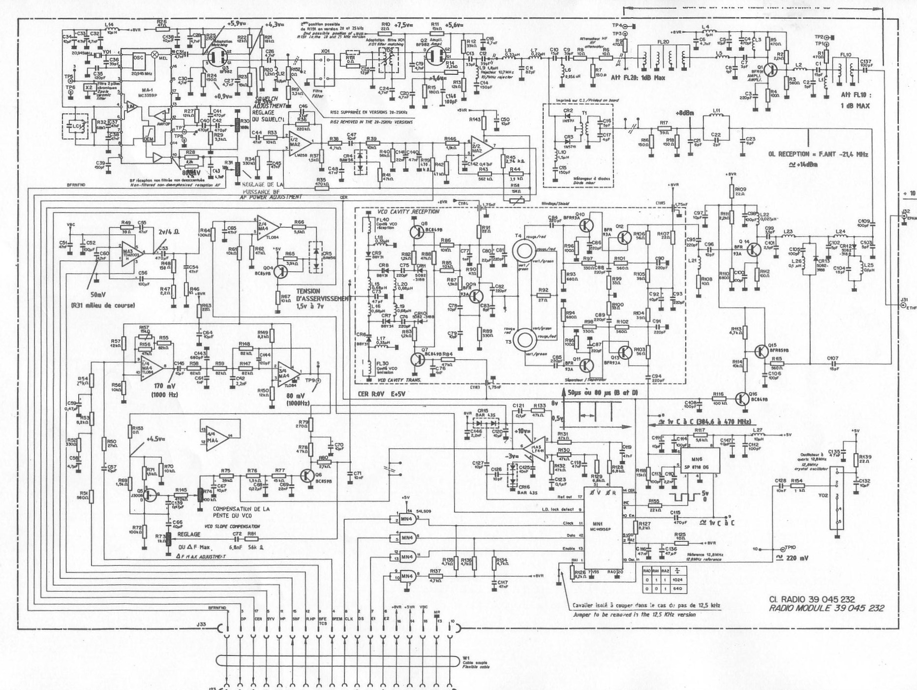
- Carte radio : 39 045 232 AL
- Carte émission : 39 045 230 J
- Carte interconnexion : 39 045 236
- Organe d’exploitation Mini 20 : 39 417 454 /Z
Il va de soi que, pour les schémas fournis ci-dessus, la carte logique n’est pas dédiée à un modèle de poste. Il s’agit juste de l’association faite dans les documents de référence.
Cartes seules
| Carte | Réf. Schéma | Réf. Cuivre | Schéma | Implantation | Nomenclature | Photo FC | Photo FS | Commentaire |
| Logique | 39 045 234 | 39 045 235 | Lien | Lien | X | X | X | X |
| Logique | 24 000 191 | 39 418 290 N39 418 289 N24 000 927 |
Lien | Lien | X | Lien | Lien | X |
| Logique | 39 197 539/U | X | Lien | X | X | X | X | X |
| Logique | 24 000 219/C | 39 418 085B | Lien | X | X | X | X | ATR425 DIAMANT |
| Logique | X | 24 000 497/A | X | Lien | X | X | X | X |
| Radio | 39 417 077 | X | Lien | X | X | X | X | ATR421 |
| Radio | 39 197 537/AA | 39 045 308 | Lien | Lien | X | X | X | ATR423 |
| Radio | 39 575 260 | 39 045 308 | Lien | Lien | X | X | X | ATR9213 |
| Radio | 39 045 232 AL 39 045 232 |
39 045 233 E | Lien Lien |
Lien | X | X | X | ATR427 |
| Émission | 39 417 076 | X | Lien | X | X | X | X | ATR421 |
| Émission | 39 045 784/AG | X | Lien | X | X | X | X | ATR423 |
| Émission | 39 045 873 | X | X | X | X | Lien | Lien | ATR423 |
| Émission | 39 045 784 | X | Lien | X | X | X | X | ATR9213 |
| Émission | 39 045 230 J | X | Lien | X | X | X | X | ATR427 |
| Émission | X | 39 045 350 G | X | Lien | X | Lien | Lien | ATR423 |
| Émission | X | 39 045 819 D | X | Lien | X | X | X | X |
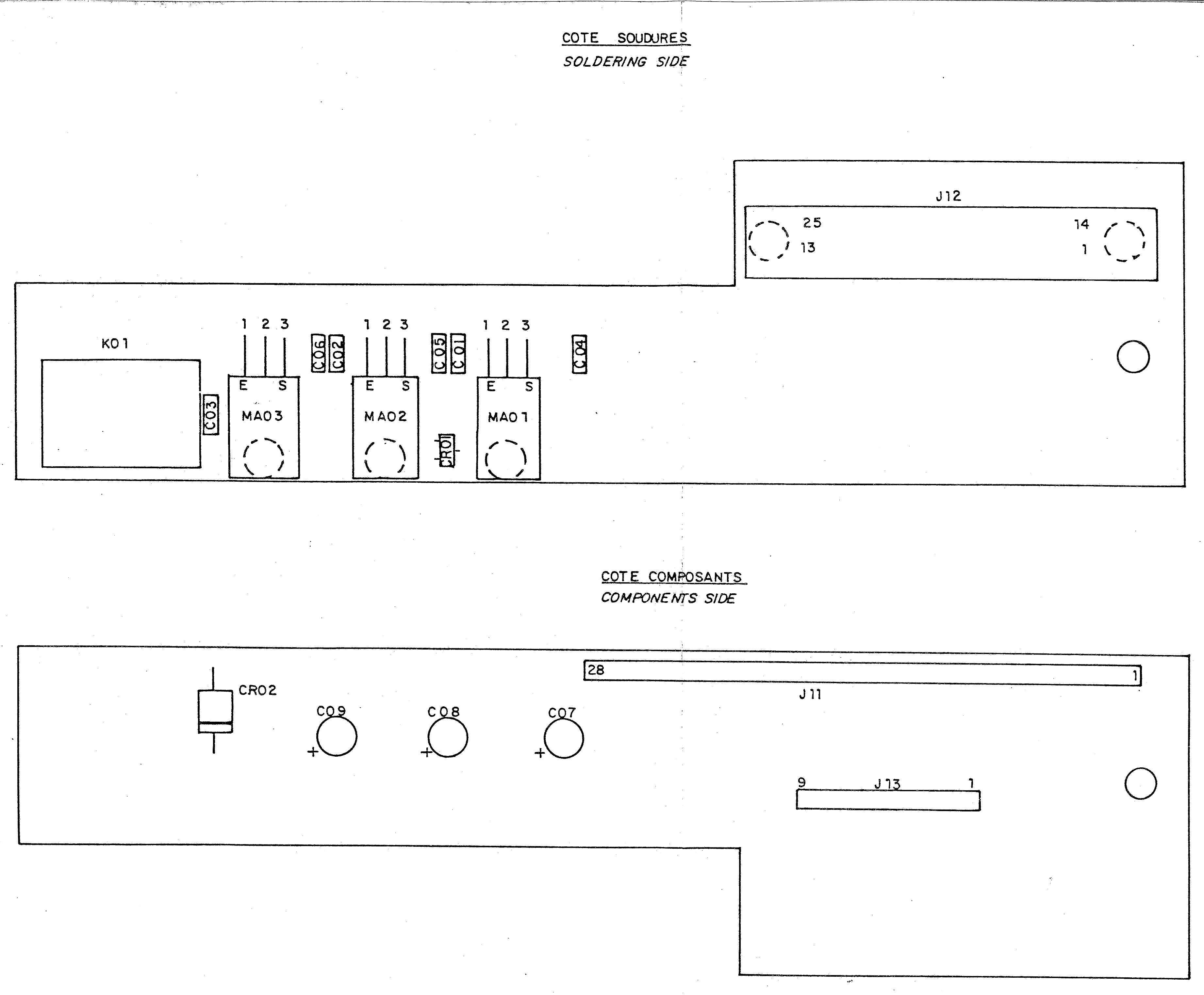
| Commutation | 39 196 974 | X | Lien | X | X | X | X | Sur ATR9213 | Interconnexion | 39 045 236 | X | Lien | X | X | X | X | X |
| Interconnexion | 39 418 312 | X | Lien | X | X | Lien | Lien | X |
| Interconnexion | 39 418 312 | X | Lien | X | X | X | X | X |
| Interconnexion | X | Inconnu | X | Lien | X | X | X | X |
| Interconnexion 6 couches | X | 39 418 313 B | X | Lien | X | X | X | X |
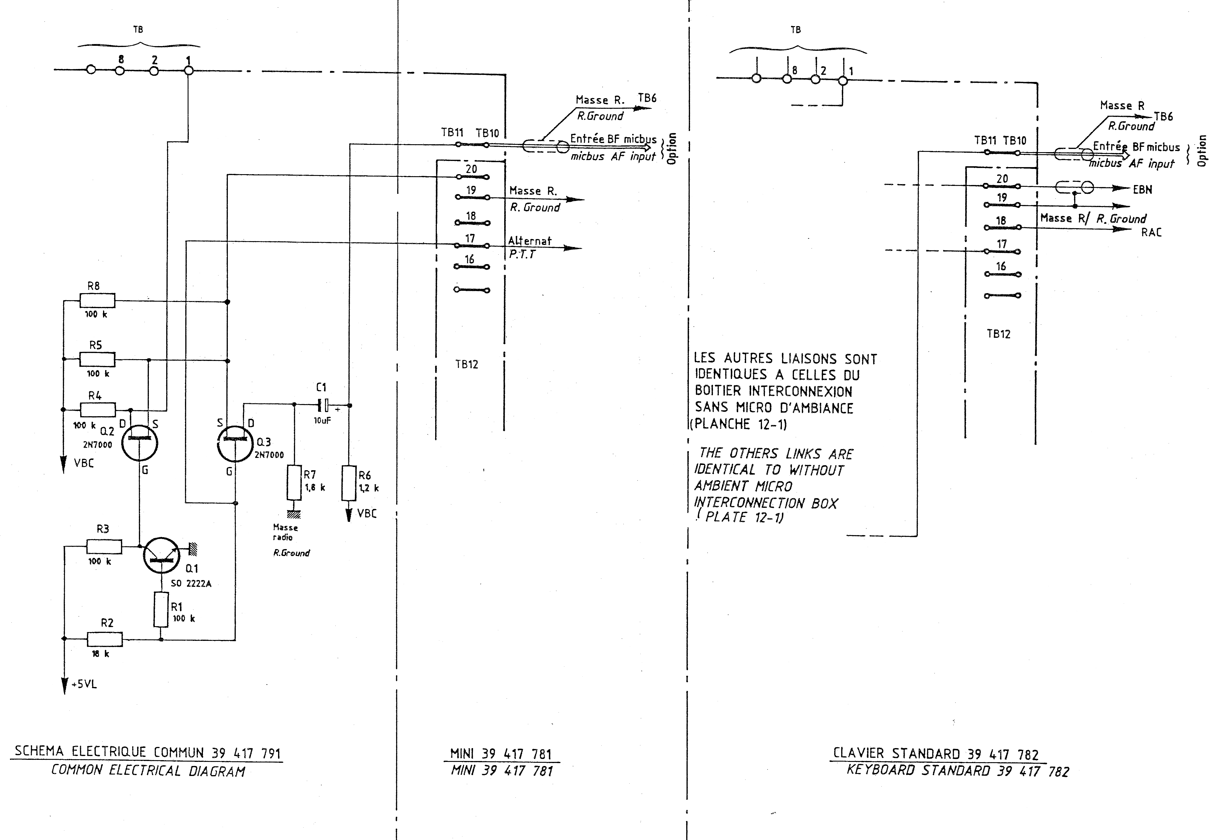
| Boîtier Interconnexion | 39 045 754 | X | Lien | X | X | X | X | Mini |
| Boîtier Interconnexion | 39 045 754 39 045 712 |
X | Lien | X | X | X | X | Mini Clavier Standard |
| Boîtier Interconnexion | 39 417 791 39 417 781 39 417 782 |
X | Lien | X | X | X | X | Commun Mini Clavier Standard |
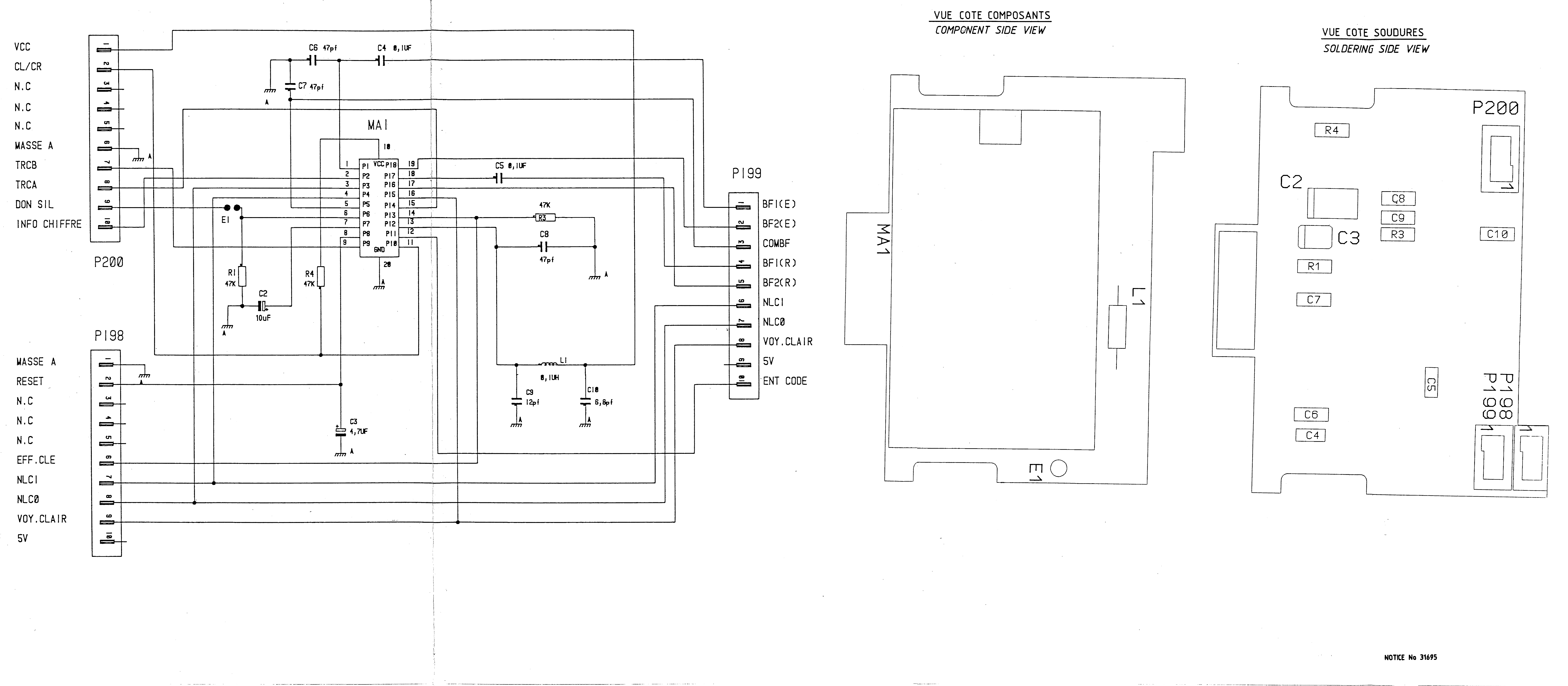
| Organe d’exploitation | 39 417 454 | X | Lien | X | X | X | X | DGC C |
| Organe d’exploitation | 39 418 306 | X | Lien | X | X | X | X | SCR |
| Organe d’exploitation | 39 417 467 A | 39 417 467 A | Lien | Lien | X | X | X | Mini |
| Organe d’exploitation | 39 418 307 A | 39 418 307 A | Lien | Lien | X | X | X | Mini SC2 |
| Organe d’exploitation | X | 39 418 307 C | X | Lien | X | X | X | SC2 SC10 |
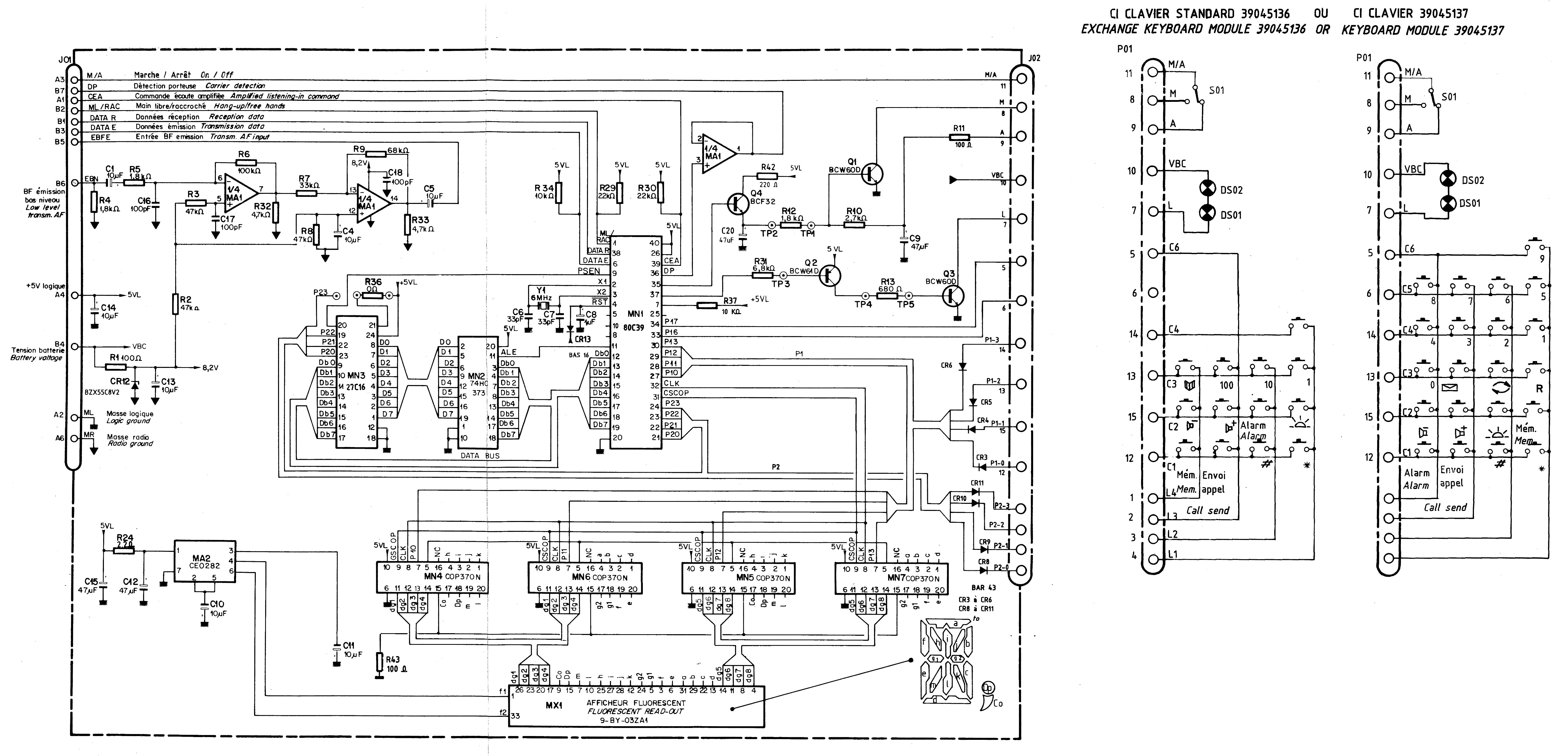
| Organe d’exploitation | 39 045 136 39 045 137 |
39 044 924 E | Lien | Lien | X | X | X | Mini20 Clavier Mini20 Clavier Standard |
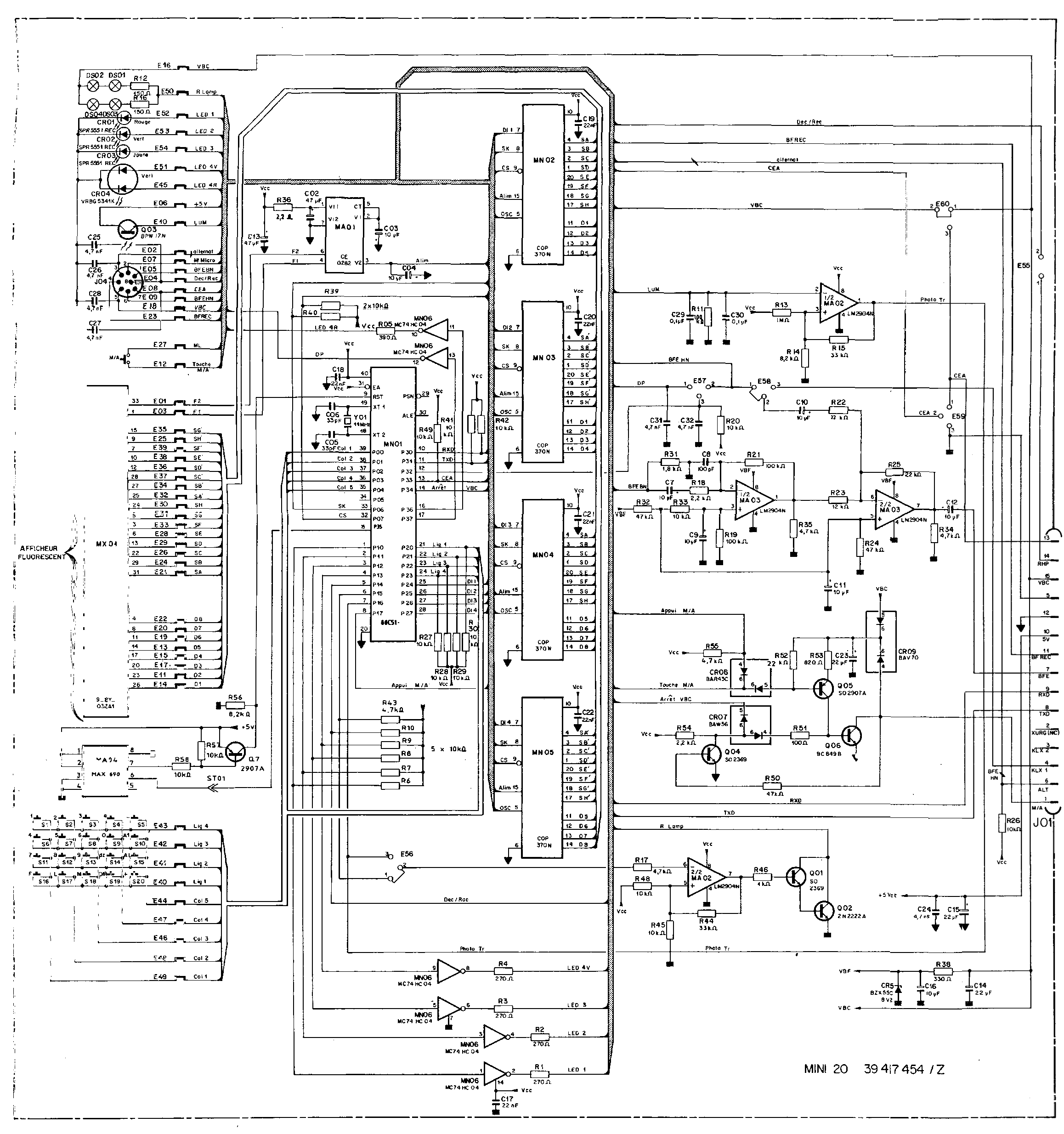
| Organe d’exploitation | 39 417 454 | 39 417 455 | Lien Lien Lien |
Lien | X | X | X | Mini20 |
| Organe d’exploitation | Inconnu | 39 045 533 | Lien | Lien | X | X | X | DGC M |
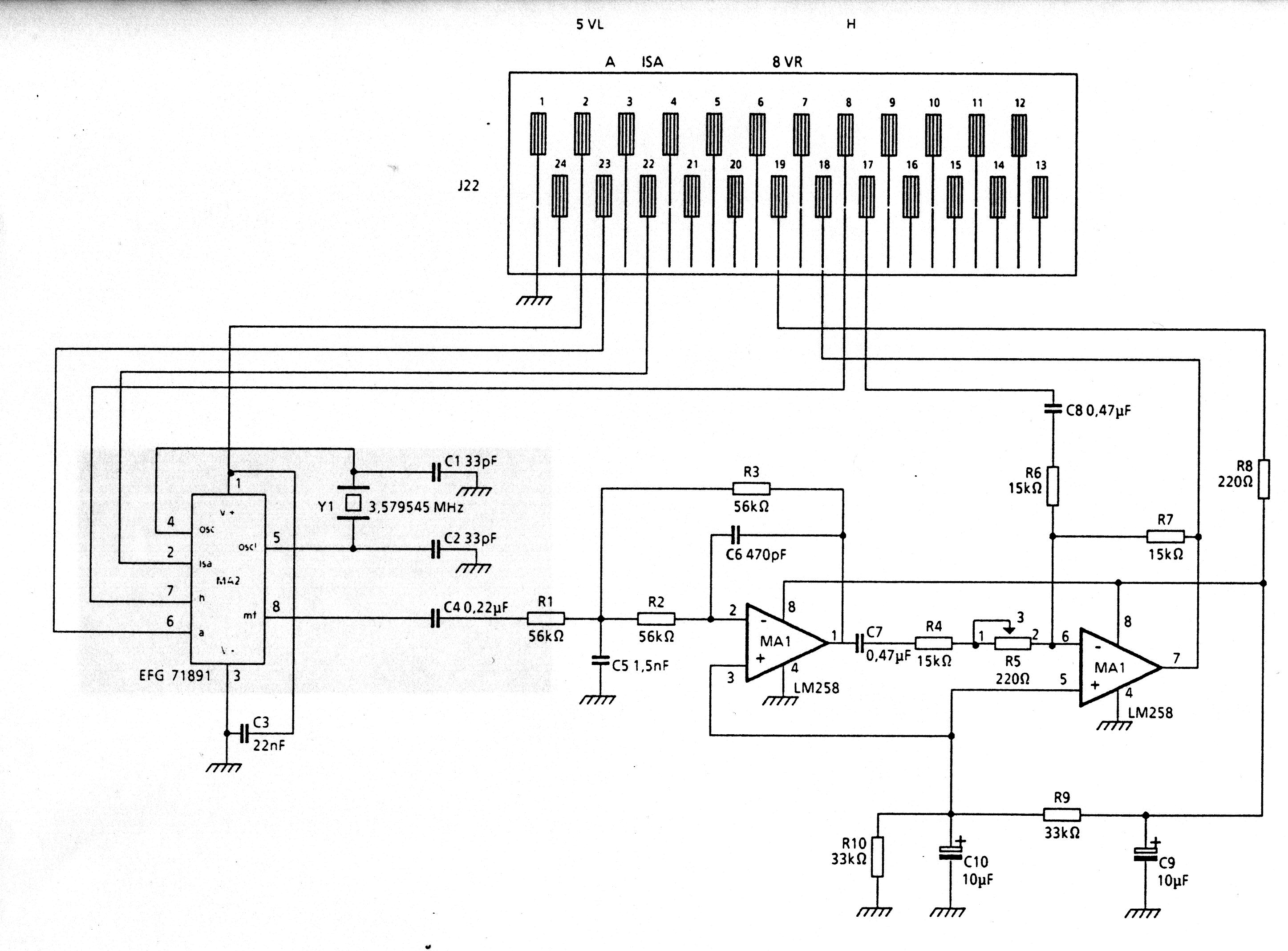
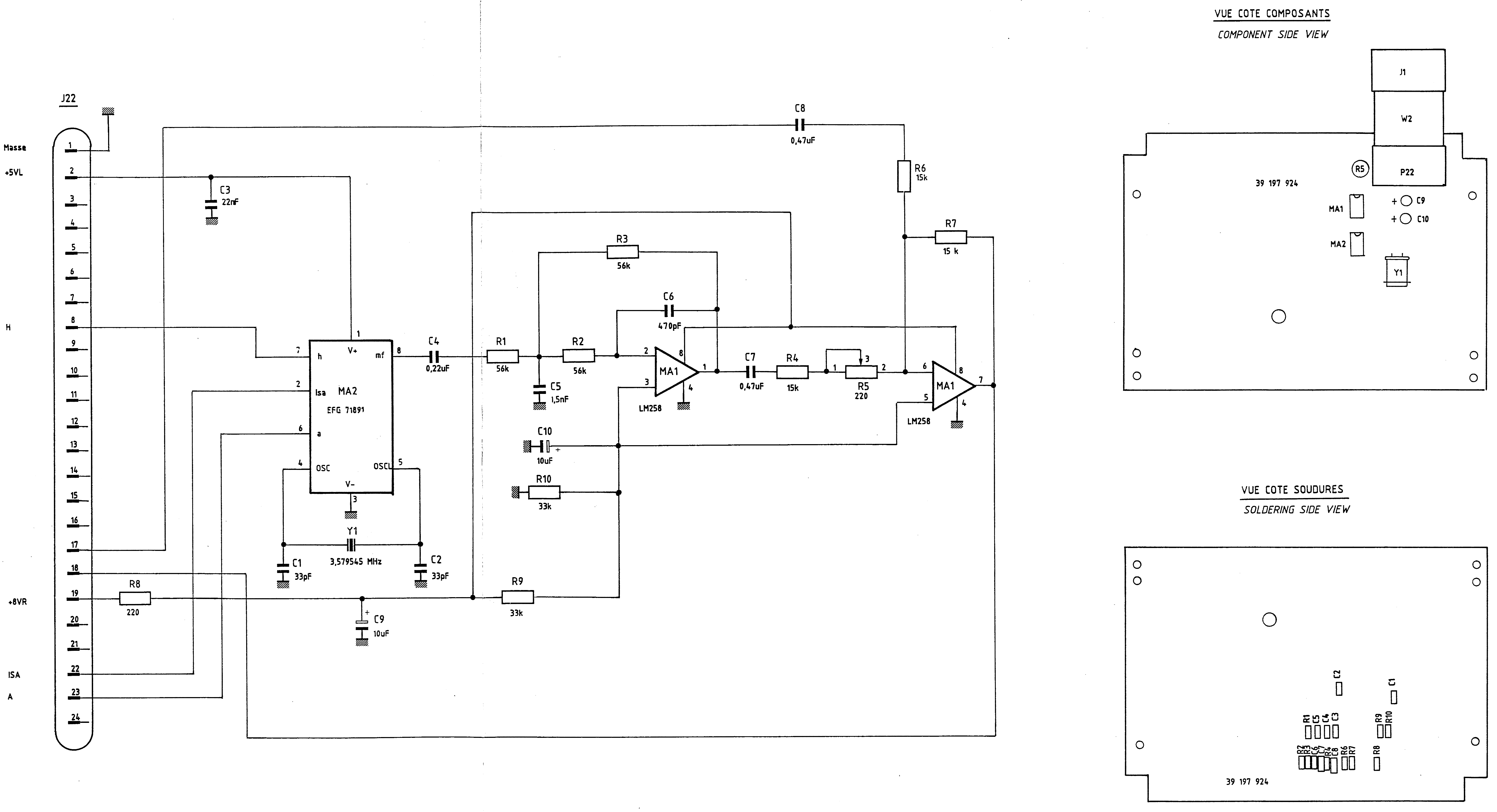
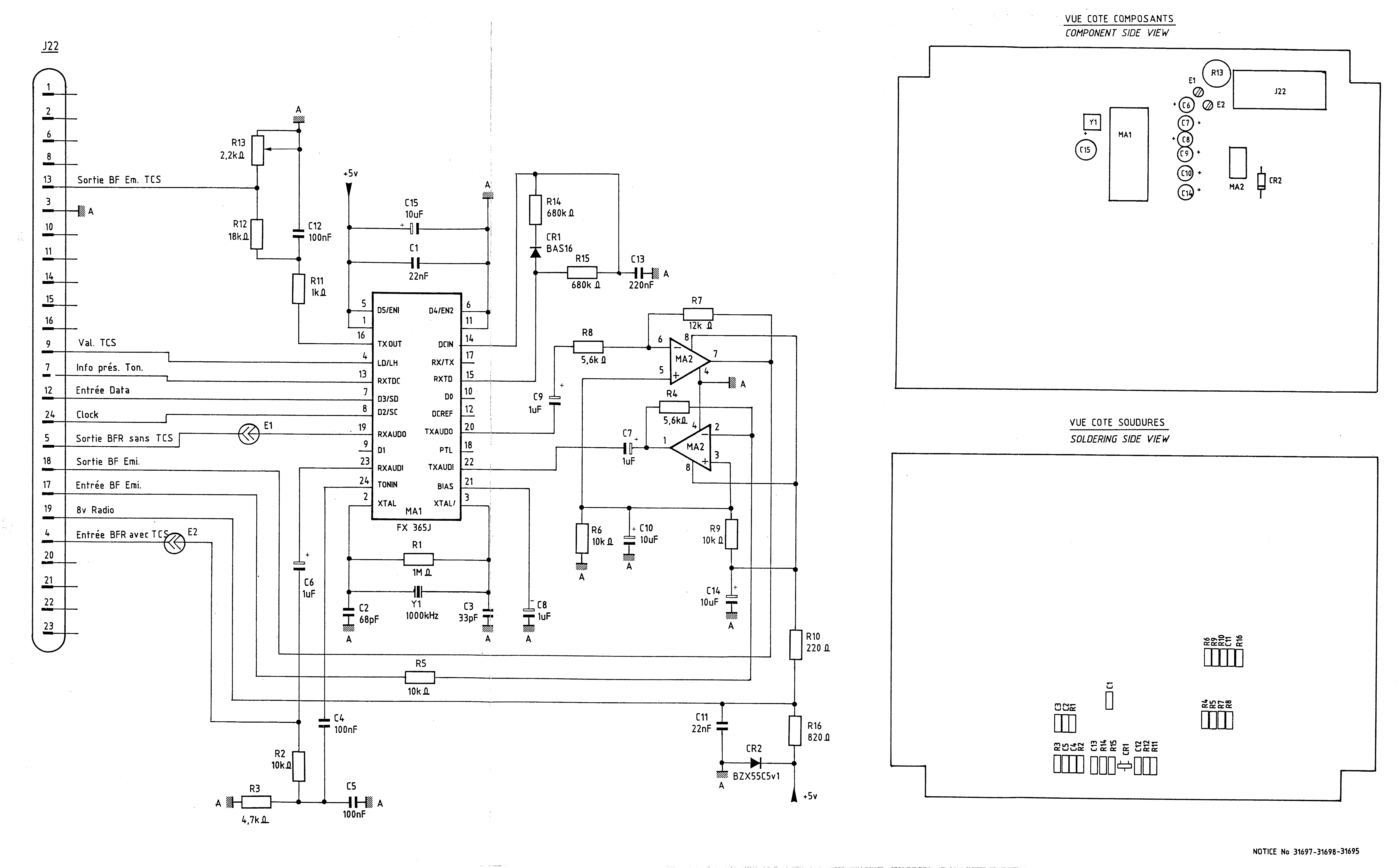
| Option DTMF | 39 197 922 | 39 197 924 | Lien | Lien | X | Lien | Lien | X |
| Option CTCSS | 39 197 980 | Inconnu | Lien | Lien | X | X | X | X |
| Option MICA | Inconnu | 24 000 788 | Lien | Lien | X | X | X | Petite carte support du MICA pour intégration sur la carte logique universelle. |
| Option MICA | Inconnu | 39 418 174 | X | X | X | Lien | Lien | Grande carte support du MICA pour intégration sous la carte logique « signalisation numérique » (ATR 425 DIAMANT). Photos fournies par robert du forum tetrahub.net |
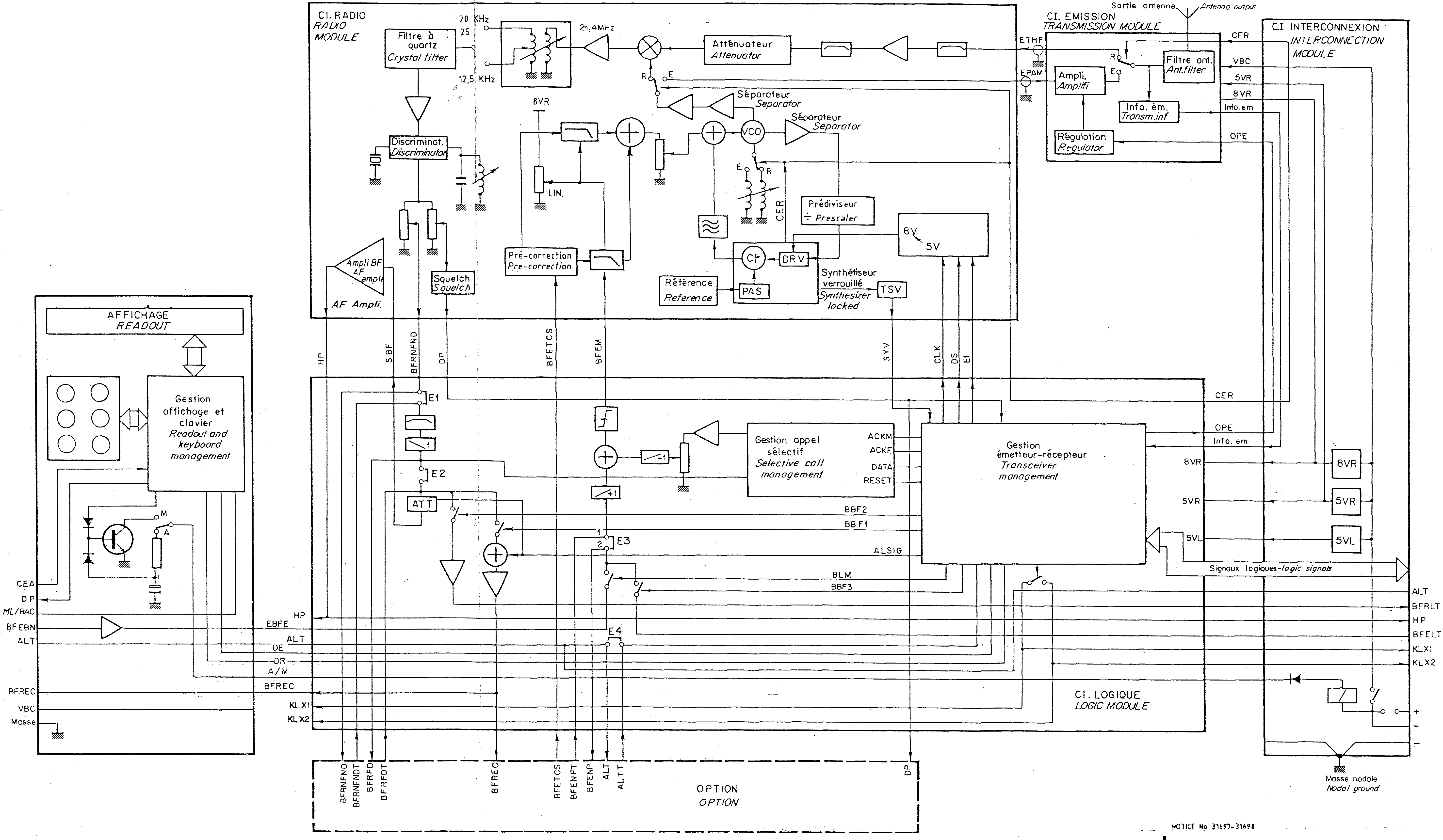
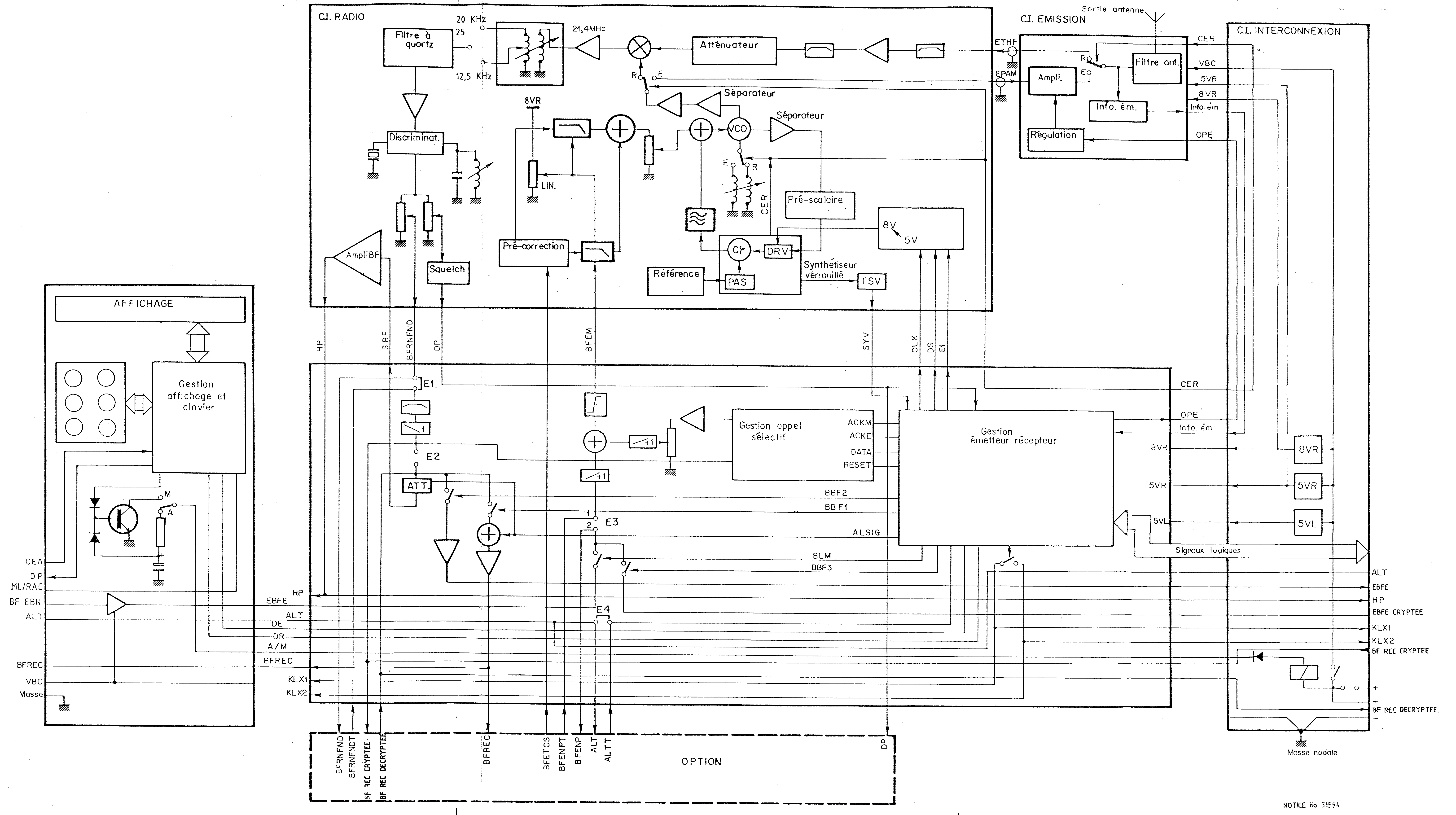
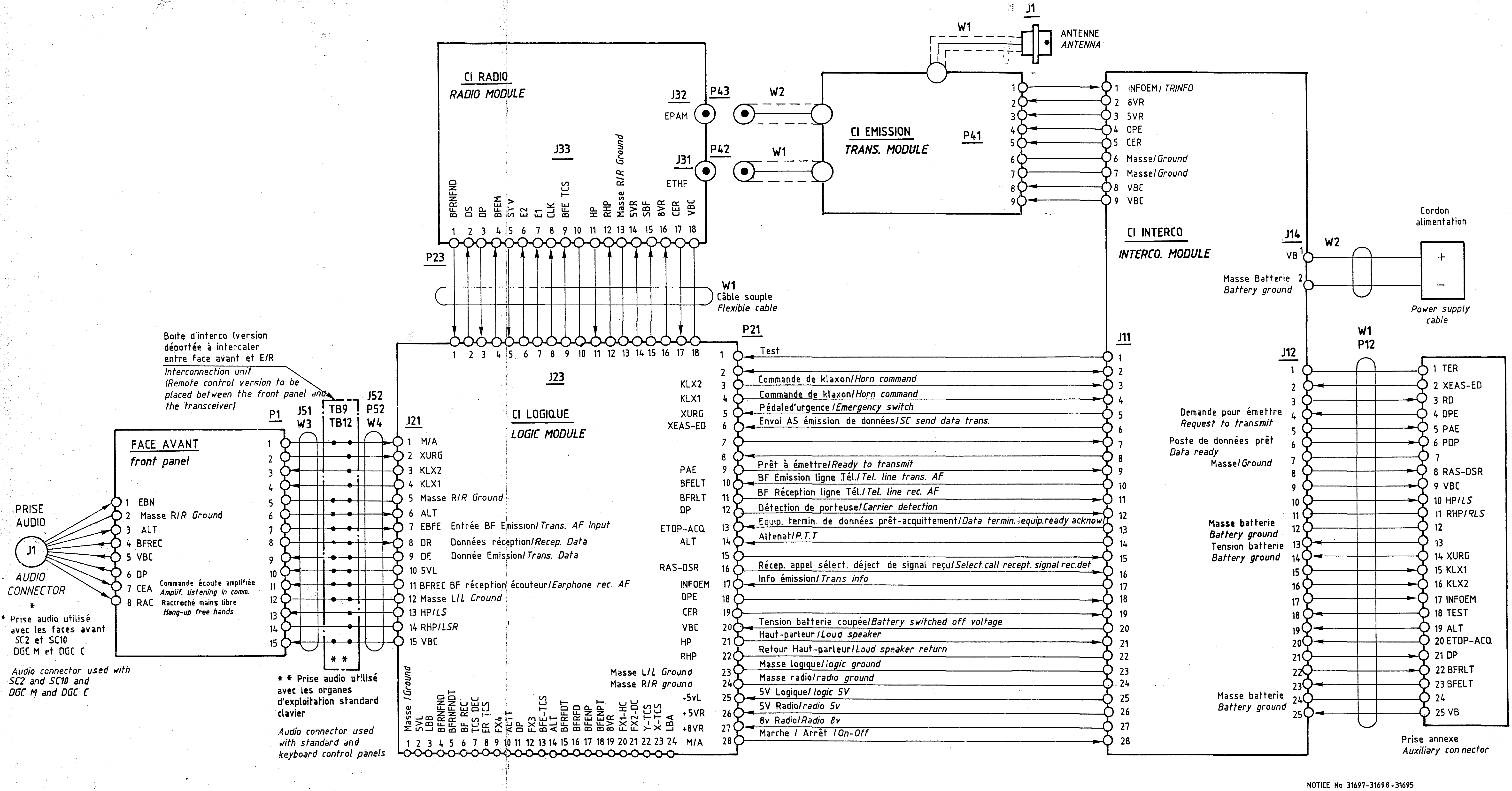
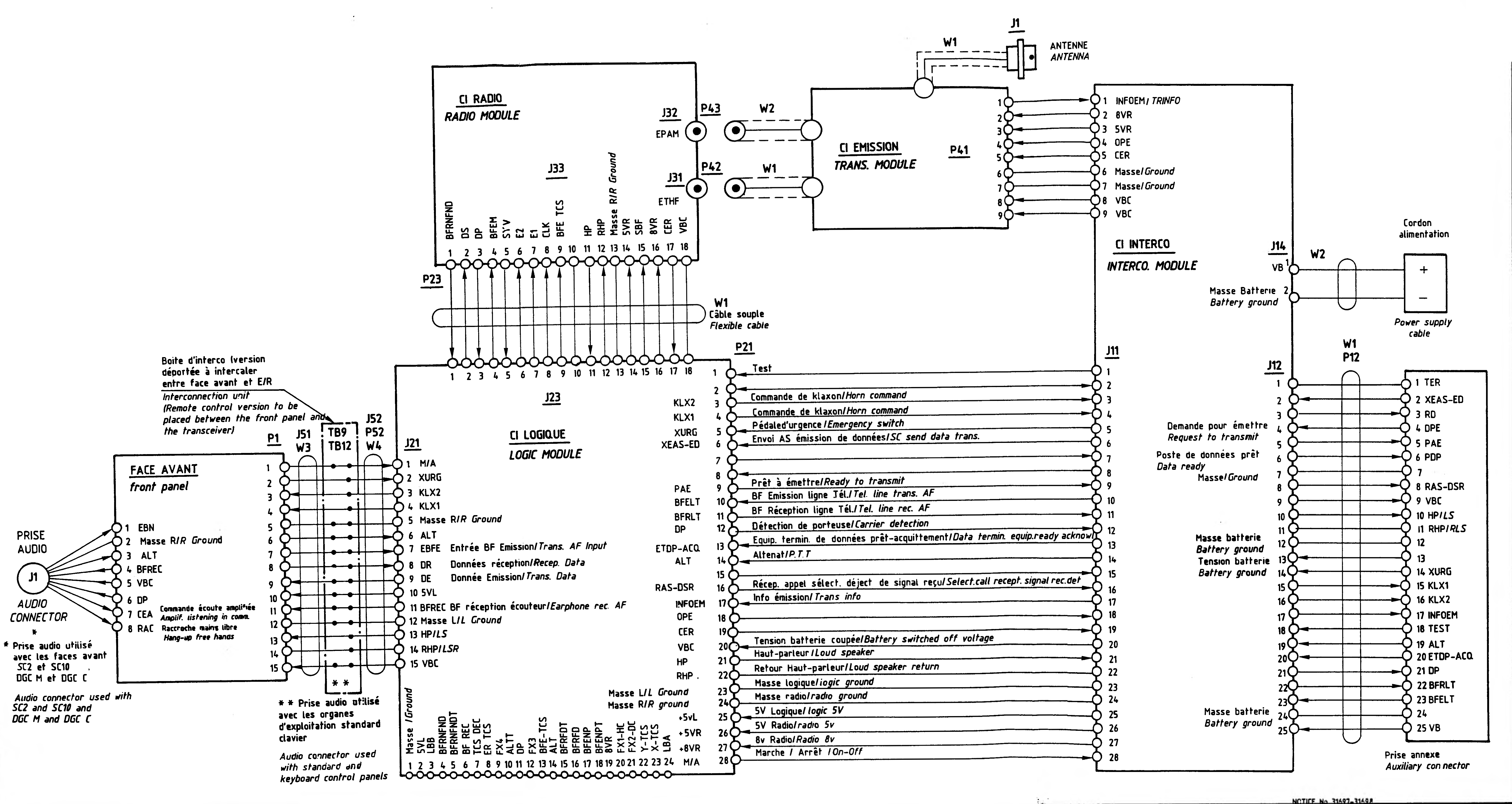
| Synoptique | X | X | Lien | X | X | X | X | Interconnexion des cartes |
| Synoptique | X | X | Lien | X | X | X | X | Interconnexion des cartes |
| Synoptique | X | X | Lien | X | X | X | X | Détaillé |
| Synoptique | X | X | Lien | X | X | X | X | Détaillé |
| Synoptique | X | X | Lien | X | X | X | X | Synthétiseur ATR 9213MX |
| Synoptique | X | X | Lien | X | X | X | X | Synthétiseur ATR 9213MB SCR |
Les correspondances entre les numéros de cuivre et de schéma ne sont pas forcément correctes. Vos remarques sont les bienvenues dans les commentaires en bas de cette page.
Documents Thomson/Alcatel
| Type | Nom | Référence | Date | Lien | Mots clés | Commentaire |
| Manuel de maintenance | 9211MB ATR421 Manuel de Maintenance N°31557.rar | N°31557 | Janvier 1990 | Lien | X | X |
| Manuel de maintenance | 9213MB DGC SC2 SC10 SC20 Manuel de Maintenance N°31697.rar | N°31697 | Juillet 1990 | Lien | X | Quelques infos sur le MICA – Trame FFSK émission chiffrée différente sur l’ATR 425 DIAMANT |
| Manuel de maintenance | 9213MB SCR Manuel de Maintenance N°31594.rar | N°31594 | Février 1993 | Lien | X | X |
| Manuel de maintenance | Alcatel_ATR-427_serv_FR_F1CHF.pdf | X | X | Lien | X | ATR 427 CORAIL |
| Paramétrage | 425_DDE_Programmation_Sous_Cle_Logiciel_2P1__scan.pdf | X | X | Lien | ATR 425 DDE programmation sous clef | X |
| Paramétrage | Personnalisation_420_Digicom_Version_3-2__scan.pdf | X | Avril 1990 | Lien | DIGICOM Version 3.2 | X |
| Paramétrage | Personnalisation_420_Digicom_Version_3-3__scan.pdf | X | Octobre 1990 | Lien | DIGICOM Version 3.3 | X |
| Paramétrage | Personnalisation_420_Digicom_Version_3-4__scan.pdf | X | Juin 1991 | Lien | DIGICOM Version 3.4 | X |
| Paramétrage | Personnalisation_420_SC20_Version_1-3__scan.pdf | X | Mars 1991 | Lien | SC20 Version 1.3 | X |
| Paramétrage | Personnalisation_420_Sc2_Version_3-2__scan.pdf | X | Octobre 1989 | Lien | SC2 Version 3.2 | X |
| Paramétrage | Personnalisation_Atr_420_Sc2_Scr__scan.pdf | 39 417 888 | X | Lien | SC2 / SCR | X |
| Paramétrage | Personnalisation_Tmf_420__scan.pdf | 39 417 384 | Janvier 1987 | Lien | TMF 420 | X |
| Paramétrage | Programme_Era_420_Sc2_Version_2-1__scan.pdf | 39 417 890 | X | Lien | ERA 420 SC2 | Parle du module crypto PHO 20 avec chronogrammes en fin de document |
| Information | Atr_420_Terminal_Mobile_Pmr__scan.pdf | X | Février 1990 | Lien | Données techniques ATR 420 | X |
| Information | ATR420_DIGICOM.pdf | X | X | Lien | X | Descriptif complet de l’ATR 420 DIGICOM avec listing des options et P/N associés |
| Information | Evolutions_Logiciel_ATR_420_DGC_3-1__scan.pdf | X | X | Lien | Logiciel DGC V3.1 checksum $BF42 | X |
| Information | Evolutions_Logiciel_ATR_420_DGC_3-2__scan.pdf | X | X | Lien | Logiciel DGC V3.2 | Prise en charge du MICA |
| Information | Evolutions_Logiciel_ATR_420_DGC_3-2__scan2.pdf | X | Juin 1990 | Lien | Logiciel DGC V3.2 | Prise en charge du MICA |
| Information | Evolutions_Logiciels_ATR420__scan.pdf | TLF/CL/FR/17/90 | Janvier 1990 | Lien | Évolutions logiciels ATR 420 | Différentes variantes d’applicatif listées avec leurs numéros de versions, évolutions approtées et checksum EPROM |
| Information | Liste_Logiciels_De_Personnalisation__scan.pdf | Réf 53016 | Octobre 1992 | Lien | X | Grille des logiciels et câbles de programmations avec leurs P/N |
| Information | Logiciel_Sante_V2-0_Mobile_9210MBDDGCC__scan.pdf | X | X | Lien | 9210MBDDGCC Logique 8-bits ou Universelle | Présentation des fonctionnalités de l’aplicatif SANTE V2.0 |
| Information | Logiciel_Universel_V2-0_Mobile_9210MBDDGCC__scan.pdf | 5007-AL.DOC V 5 | Novembre 1997 | Lien | 9210MBDDGCC Logique Universelle | Présentation des fonctionnalités de l’aplicatif UNIVERSEL V2.0 |
| Information | Diva.pdf | X | Février 1987 | Lien | Décisionnel d’Intégration aux Voies d’Accès | Présentation du principe de fonctionnement du DIVA |
| Guide utilisateur | Manuel_Utilisation_Rapide_DGCC__scan.pdf | X | X | Lien | DGC | Manuel de prise en main rapide du terminal mobile DGC C |
Notes manuscrites
| Nom | Lien | Mots clés | Commentaire |
| Reglages_Atr_420__manuscrit.pdf | Lien | X | Divers points de réglage (VR, transfos) – INFOS NON VÉRIFIÉES! |
| 427_Bus__manuscrit.pdf | Lien | X | Notes sur la personnalisation de l’ATR427 version BUS – INFOS NON VÉRIFIÉES! |
Je recherche
Le schéma de la carte universelle équipé du FX365J et des 3 micro connecteurs inter-carte pour le MICA. Il correspond à ce plan d’implantation : 24 00 497 / Carte Universelle. Le manuel de maintenance de l’Alcatel 9213MB, N°31697, indique que le schéma est fourni surla planche 6 bis, mais elle est manquante dans les documents qui m’ont été gracieusement fournis.
Cette carte porte d’autres références :
- Sur la sérigraphie, face composants, masquée par une étiquette : 24 000 496
- Sur l’étiquette qui cache la sérigraphie : 24 000 474
Des postes de la gamme ATR420 / 9210, afin de compléter mon stock avec des modèles dont je ne dispose pas encore. Si vous avez ce type de poste qui prend la poussière n’hésitez pas à me le signaler dans les commentaires tout en bas de cette page. C’est aussi valable pour les cartes option, comme celle intégrant le très mystérieux et convoité MICA 🙂 Cela permettrait de lever quelques mystères autour de ce module que personne n’a été en mesure de reparamétrer jusqu’ici.
Remerciements
Ne disposant d’aucun document de mon côté, tout ce que vous trouvez sur cette page est le résultat d’une recherche sur les quelques sites Internet où sont partagés des numérisations :
http://radiomods.free.fr/alcatel/
http://f5jtz.free.fr/sitef5fyu/pageposte/modificationdesradio.htm
http://f4bqn.free.fr/mods-ATR421.htm
http://f5ghp.pagesperso-orange.fr/html/atr_page.htm
D’autres fichiers m’ont été fournis par F4GKN et Tom.
Mot de la fin
Comme toute information est bonne à prendre, n’hésitez pas à partager ce que vous savez sur ces postes et les éventuels documents rares dont vous disposez. L’analogique dans le domaine amateur a encore de long jours devant lui et cette initiative, même tardive, n’est pas totalement futile.
Enfin, bien que cela soit pour l’instant hors propos, les sources seront évidemment mises à disposition librement sur mon dépôt GitHub, afin que chacun puisse apporter sa pierre à l’édifice (et mettre de l’ordre dans mon code hideux, HI!).
Bonjour,
Je suis assez intéressé par le fonctionnement de la carte logique car j’ai un ATR 427 sans face avant et je souhaiterais en refaire une à base d’arduino. Avez vous le protocole de com entre les 2 cartes. Je dois recevoir un ATR425 sans face avant et je souhaite modifier celui ci pour faire une balise sur le 6 mètres.
Merci Franck
Bonjour Franck,
Tout est détaillé dans le pdf disponible vers la fin du billet.
J’ai toujours mon ATR cobaye à dispo si il manque des infos.
Bonne bidouille, et n’hésitez pas à partager ici le résultat de votre adaptation sur Arduino.
Merci je vais étudier ceci dès que je serais de retour au QRA…
73
Franck